Editovat
Přejít na obsahovou část stránky

Pomocný hybridní ventilátor pro bytové domy

Rozsah ventilátorů VBP+ je ideálním řešením pro rekonstrukci budov vybavených přívodními nebo pasivními větracími šachtami, což zlepšuje výkon větrání díky velmi nízké spotřebě elektrické energie.

Popis:

Hybridní provoz (přirozený a mechanický režim) automaticky přizpůsobuje průtoky vzduchu povětrnostním podmínkám pro udržování tlaku v potrubí po celý rok. VBP+ je speciálně navržen pro řízené větrání (reakce na vlhkost, detekci přítomnosti nebo jiné aktivační režimy) díky řízení tlaku. VBP+ je možné instalovat na ploché nebo šikmé střechy s použitím adaptérů. Jeho velký volný průřez (ekvivalent 8 kanálů ø 125 mm) umožňuje instalaci na několika společných nebo individuálních šachtách bez redukce průřezu.

Výhody:

  • Nízká spotřeba energie
  • Konstantní tlak: přizpůsobený požadavku řízené větrání
  • Hybridní provoz: nebrání přirozenému větrání, i když je odstaven / při malých otáčkách
  • Požární bezpečnost: odolává horkému kouři až do 400 °C po dobu 30 min.
  • Přizpůsobuje se povětrnostním podmínkám: systém řízení (ms verze) s teplotním čidlem.
  • Bezpečný: umožňuje přirozenou ventilaci i pokud ventilátor stojí.
  • Minimální údržba: nízká rychlost vzduchu = nižší prašnost.

Patentovaný design inteligentních lopatek

Jedinečný design inteligentní vrtule VBP+ zabraňuje vytváření tlakové ztráty při zastavení: centrální lopatky jsou rovnoběžné s prouděním vzduchu, a statické větrníky jsou umístěny mimo vertikální proudění, vytvářejí tlak při provozu. To umožňuje normální provoz pasivní větrací šachty, i když je ventilátor vypnutý. Verze C4 nabízí pozinkované ocelové vrtule; verze s je vybavena plastovou konstrukcí..

Požární bezpečnost

Řada ventilátorů VBP+ nabízí velmi vysokou úroveň odolnosti vůči požáru provedení verze R a ve verze C4: je navržen tak, aby vydržel horký kouř. VBP+ je vyhotoven z pozinkované oceli a nehořlavé křemičito-vápenaté desky chránící EC motor a ve verzi C4 může ještě pracovat přinejmenším během 30 minut při horkém kouři do 400 °C.

Jak funguje vlhkostní čidlo?

Motorem výrobků s reakcí na vlhkost je vlhkostní čidlo. Toto čidlo je tvořené z polyamidových vláken, které detekují vnitřní relativní vlhkost vzduchu a určují množství přiváděného vzduchu do místnosti. Čím vyšší je vlhkost uvnitř bytu, tím více jsou klapky otevřené. Čidlo je od přiváděného vzduchu odděleno a měří pouze vnitřní relativní vlhkost.

POZOR: polyamidový pásek se nesmí dostat do kontaktu s vodou – jinak hrozí trvalé poškození.

Jednoduchá údržba: žádné seřizování, pouze utírat prach suchým hadrem.

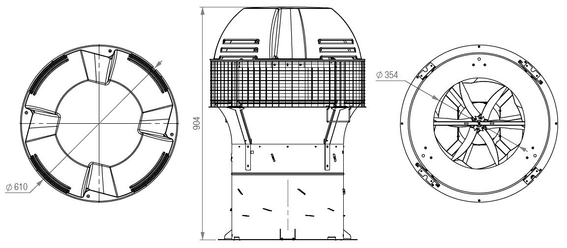
Technická specifikace:

Rozměry VBP+ (v mm)

Graf průtoku vzduchu

Dokumenty ke stažení:

ANCHOR_TOP_TITLE

Tento web využívá cookies

Tento web používá k poskytování služeb, personalizaci reklam a analýze návštěvnosti soubory cookie. Používáním tohoto webu s tím souhlasíte. Zobrazit podrobnosti

Nastavení cookies

Vaše soukromí je důležité. Můžete si vybrat z nastavení cookies níže. Zobrazit podrobnosti